
Features
1.This machine is one of the newest serial complete set rice mill designed by our company,the daily capacity is 20 tons
2.It has simple and convenient operation mode,bigger and fluent elevator,efficient and wide de-stoner,balanced press and oilless husker,paddy separator with huge treatment capacity,and steady whitener with strong performance.These conditions ensure that this machine is situated in top situation for small and medium size.It indicates that it’s the top choice model for small and medium rice processing plant in domestic at present based on comprehensive marketing information
3.This machine can be formed serial products for supplying follow-up machines successfully to improve rice grade conveniently for users based on their requests
4.It can be added a crushing hammer system.
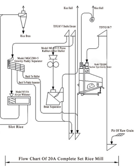
Flow Chart

Technical Parameters
| Model | HNLY20A |
| Capacity (t/d) | 20 |
| Cleaner&Destoner | TQLQ60 |
| Husker | MLGT15 |
| Paddy Separator | MGCZ80*6 |
| Whitener | NF15A |
| Power (kw) | 25 |
| Dimension (mm) | 3000*2500*3900 |