Features
The whole processing plant is exquisite and beautiful design,compact structure,small land occupation,large output,low energy consumption,quick installation ,convenient in operation and maintenance.
High precision of rice output ,less broken ,The rice output rate is 2% higher than any same model of domestic factories’ products and the precision is higher more half grade.
The whole plant are made of national standard normal materials ,with stable operation,long service life,low failure rate ,stable and reliable process performance.
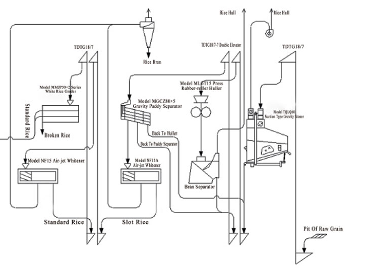
Flow Chart:

Parameters
| Model | HNLY20B |
| Capacity(t/d) | 20 |
| Cleaner&Destoner | TQLQ60 |
| Husker | MLGT15 |
| Paddy Separator | MGCZ80*6 |
| Whitener | NF15A(2SETS) |
| Rice Grader | MMJP50*2 |
| Power(kw) | 42.25 |
| Dimension(mm) | 5000*2500*3900 |